arrow_back_ios

Main Menu

arrow_back_ios

Main Menu

arrow_back_ios

Main Menu

目次

ODS分析とは?

ODS分析は、運転条件下における構造物の振動パターンを決定し、可視化することです。

振動パターン(別名たわみ形状)は、異なる周波数、次数、または時間インスタンスで、構造のたわみを表すアニメーション形状として表示され、ジオメトリ上のさまざまな点および方向(DOF)の形状テーブルとして一覧表示されます。振動は加速度、速度、変位のいずれかで示され、ピーク、ピークトゥピーク、RMSのいずれかのスケーリングとSI単位または帝国単位で表されます。

運転条件は、例えば機械のさまざまな部分の回転数や、機械や構造物が受ける負荷、圧力、流量によって定義できます。条件が変わると振動パターンも変わります。

観測される振動信号には、構造物に作用する外部からの強制力、内部で発生する力、モーダルパラメータによって定義される構造物の動的特性の組み合わせが含まれています。共振では力が著しく増幅され、大きな振動レベルにつながります。これは、自動車の運転における不快感から、航空機や橋の崩落などの悲惨な結果を伴う構造的損傷に至るまで、あらゆることにつながります。その結果、構造物の共振周波数と、その共振周波数を加振する力を特定することが、ODS解析の典型的な使用シナリオとなります。

 

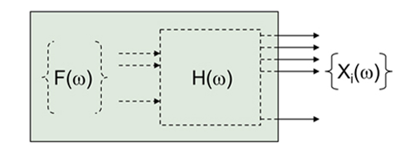
ODS analysis output

ODS分析では、さまざまな自由度における構造物X i (ω)の出力を観察します。外力F(ω)と内力F(ω)および構造物の動的特性を表す周波数応答関数H(ω)は測定されません。

振動を測定し、時間関数として、あるいは特定の周波数や次数におけるたわみ形状を可視化することで、潜在的な問題や設計上の検討事項について、測定された振動レベルを見るよりもはるかによく理解することができます。そして、エンジニアがより最適な解決策を導き出すのに役立ちます。その結果、多くのユーザーにとって、ODS解析は構造力学への第一歩となることが多いです。

ODS分析のための使用シナリオ

構造物の出力のみを測定するため、ODS分析はあらゆる構造物(線形または非線形)、あらゆる種類の信号(例えば定常、準定常、非定常)で励起され、あらゆる種類の境界条件(フリーフリーから固定まで)で実行することができます。

これにより、ODS分析は非常に使いやすくなっています。モーダル試験とは異なり、適切な加振信号と境界条件を選択するためにプリテスト分析を行う必要がなく、測定中にインパクトハンマーやモーダル加振機を使用して人為的な入力加振を加えることもありません。しかし、モーダル試験のようにモデルを作成しないため、他の条件における振動応答の予測はできません。そのため、条件が変わった場合は、再度測定する必要があります。

ODS分析の用途は多岐にわたります。設計検証、目標設定、ベンチマークから、トラブルシューティング、品質管理、機械のヘルスモニタリングまで。一般的な使用シナリオは次の通りです。

  • 強制応答シミュレーションによるFEM予測とODS測定データとの比較による検証
  • 測定した振動騒音値と参照値との比較
  • 構造的な共振が励起されず、臨界速度が発生しないことを確認します。
  • 回転部品と固定部品からそれぞれ発生する回転騒音と構造騒音・振動現象を特定し、分離する。
  • 騒音放射と構造振動の関係
  • 過剰な騒音と振動の低減
  • アンバランス、シャフトの軸ズレ、ガタツキなどの原因となる機械の摩耗を調査します。
  • ドアの閉まり音、爆発音、発射と発砲、衝突と落下の衝撃などの過渡現象を解析
  • 一定速度またはわずかに変化する速度で稼動する機械の分析
  • 非線形システムの解析、エンジンの回転上昇/下降などの周波数変動分析
  • 海洋構造物の波浪、建築物の風荷重、橋梁の交通荷重の影響など、周囲の力によって荷重を受ける土木構造物のモニタリング

ODS分析

BK Connectでは、3種類のODS分析をすべて実行できます。時間ODS、スペクトルODS、非定常ODS;


  • 時間ODS 時間ODSは、時間関数として構造物の振動パターンを調査するために使用されます。時間ODSは、分析された周波数範囲内のすべての周波数を含み、過渡信号のような定常または非定常信号の任意の時点における全体的なODSを表示するのに非常に便利です。

  • スペクトルODS スペクトルODSは、特定の周波数または次数成分について、構造物の振動パターンを調査するために使用されます。周波数成分の調査にはFFT分析が用いられ、条件は定常でなければなりません。次数成分調査にはオーダートラッキングが用いられ、条件がわずかに準静止、例えばエンジン回転数がわずかに変化する場合があります。その後、異なるスペクトル成分のODSが抽出され、形状テーブルに表示され、アニメーション化されます。

  • 非静止ODS 非定常ODSは、回転速度または時間の関数として、特定の周波数または次数成分に対する構造物の振動パターンを調査するために使用されます。結果はFFT分析またはオーダートラッキングに基づいています。非定常ODSは、どの騒音振動挙動が機械の回転部分に関連し、どの部分が固定部分に関連するかを特定するのに非常に有効です。エンジンを上下に動かすランアップ/ダウンODSは、非静止ODSのバリエーションとしてよく使われます。

 

ODS analysis of car frame
BKConnectによる自動車フレームの時間ODS。振動パターンをアニメーションさせながら、時間範囲を選択してスイープすることができます。サンプルのスキップにはデシメーション係数を適用できます。さまざまな自由度での振動は、離散的な時間インスタンスで形状テーブルに保存することができます。

ODS Spectral analysis of car frame
BK Connect 車のフレームの周波数ODS分析(2)。スペクトルの周波数/次数を選択することで形状がアニメーション化され、振動パターンが形状テーブルに記録されるため、検索や比較が容易になります。様々な自由度における振動は、加速度、速度、または変位として、ピーク、ピークトゥピーク、またはRMSスケーリングで表示することができます。SIまたは帝国単位を使用できます。

ODS_3

BKConnect 単純化された自動車フレームのランアップ/ダウンODS解析。コンタープロットで周波数/次数、回転数/時間の組み合わせを選択することで、形状がアニメーション化されます。この場合、FFTベースのランアップODSが用いられ、斜めの線は次数、縦の線は構造共振を表します。スペクトルODSについては、振動パターンを形状表に記録することができます。

ODS分析機器

構造物/機械の出力のみを測定するため、ODS分析の計測は比較的簡単で低価格です。必要な機器は、ハードウェア、測定、解析ソフトウェアを備えたデータ収集システム、応答変換器(通常は加速度計)、そして可能性としてタコプローブです。タコプローブは、速度がわずかに変化する機械でODS分析を行う場合に必要で、周波数スメアリングを避けるためにオーダートラッキングを行う必要があります。あるいは、オーダートラッキングを行わない場合でも、ランアップ/ダウンテストにRPMタグで注釈を付けるためにタコプローブが必要な場合もあります。

ODS分析のシステムは、ロービング加速度計を使用する単純な2チャンネルシステムから、すべての自由度を同時に測定する複雑な構造で測定するための数百の加速度計を備えたシステムまで、多岐にわたります。

 

ODS system accelerometers

加速度計、タコプローブ、データ収集ハードウェアとソフトウェアで構成されるODSシステムの例。

 

ODS試験で測定された振動は未知のものであることが多いため、過負荷やアンダーレンジの状況を避けることに特に注意を払うことが重要です。常に試運転を行い、それに応じて入力アッテネータを変更することで、多くのことができます。しかし、より高い効率とデータ品質を得るには、使用するセンサーに合わせた高いダイナミックレンジのデータ収集システムを使用するのが最善の解決策です。

また、大型機械、船舶、列車、橋梁、建物などの大きな構造物でODSテストを行う場合、ケーブル接続は膨大なものになります。配線コストを削減し、試験設定を簡素化し、エラーのリスクを排除するには、測定ポイントの近くに配置して、シンプルな標準LANケーブルまたはワイヤレスのいずれかで接続できる分散配置可能なデータ収集ハードウェアを使用することが非常に有利になります。

大型構造物に対してODS試験を実施する場合、最初に注目される振動パターンは、0 Hzに近い非常に低い周波数である可能性があります。その結果、データ収集ハードウェアと加速度ピックアップの両方が、このような場合にDCまでの測定をサポートする必要があります。

加速度ピックアップに関しては、モーダル試験など他の構造試験に関する要求事項の多くがここにも当てはまります。考慮すべきパラメータは、ダイナミックレンジ、周波数レンジ、感度、質量負荷を避けるための軽量化、クリップやベースなどのアクセサリーを使った簡単な取り付けまで多岐にわたります。高温域、気密封止、堅牢性などの特定の要件も該当する場合があります。

HBK ODSソリューション

HBKは、加速度計やタコプローブからハードウェアによるデータ収集システム、測定および分析ソフトウェアまで、3種類のODS分析すべてに対応する完全なソリューションを提供します。当社のデータ収集システムは、単一のフロントエンドとしても分散システムとしても構成可能なLAN-XIハードウェアと、ユーザー中心のBK Connectソフトウェアに基づいています。

ODS分析は、構造力学を補完するいくつかのアプリケーションのひとつです。HBKは、実験モード解析、実稼働モード解析、相関解析、構造ヘルスモニタリング、衝撃応答解析の完全なソリューションも提供しています。

 

ODS分析およびその他の構造力学アプリケーションに関するウェビナーの記録をご覧ください:

  • ODS分析(アプリケーションとソリューション)
  • 構造力学(アプリケーションとソリューション)

 

 

戻る: データ収集と分析のブログ